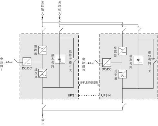
华为UPS电源N+X并机时,各机柜的主路输入、旁路输入以及输出端均并联在一起,并机控制线缆将各个机柜的并机端口连接到一起,使各机柜的输出同步,同时给负载供电。当一个机柜出现故障时,可以由其他并联的机柜继续给负载提供能量,从而达到提高系统可靠性的目的。N+X并机系统工作原理框图如图1-1所示。
图1-1 N+X并机系统原理框图

时间:2020-07-23 11:31:42 作者: 点击: 次
华为UPS电源N+X并机时,各机柜的主路输入、旁路输入以及输出端均并联在一起,并机控制线缆将各个机柜的并机端口连接到一起,使各机柜的输出同步,同时给负载供电。当一个机柜出现故障时,可以由其他并联的机柜继续给负载提供能量,从而达到提高系统可靠性的目的。N+X并机系统工作原理框图如图1-1所示。
图1-1 N+X并机系统原理框图
